LED 昇圧DC-DCコンバータ 定電流電源 通販 | オーディオQ
★ 自転車のリアランプ改造 ★


(^o^)

フロントライト部LED設置状況

(^o^)

フロントライト部LED設置状況

(^o^)

ユニット本体設置状況。前カゴとハンドルステムの間に設置しまし た。

(^o^)

リア反射板内部へのLED設置状況。反射板はそのままではまっすぐ後 ろ方向には光が出ないので、中央部は内部から少し削っています。



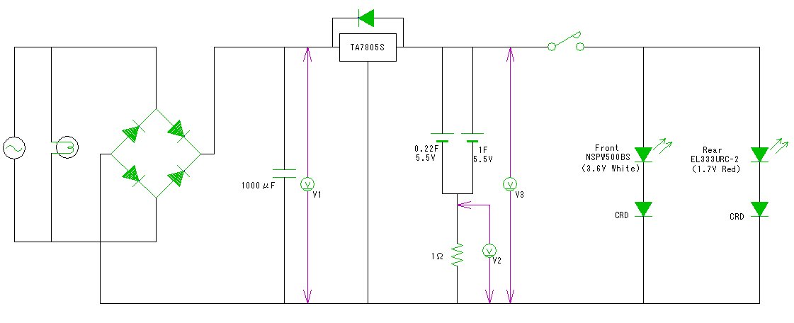
回路図

(^o^)

点灯した状態。

(^o^)
走行中のデータ。



※前の画面に戻るにはブラウザの[戻る]で戻って下さい。